TecnoXplora » SINC

Un nuevo método logra materiales metálicos con una porosidad del 90%

Un nuevo método logra materiales metálicos con una porosidad del 90%

Investigadores de la Universidad de Sevilla (US) han patentado un método consistente en aprovechar condiciones de microgravedad para conseguir cuerpos sólidos con una porosidad de hasta el 90%. Su utilización podría ampliar el rango de aplicaciones de estos materiales metálicos ligeros utilizados mayoritariamente en la industria aeroespacial.

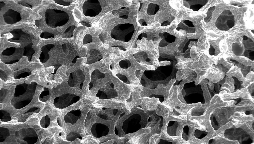
Espuma metálica en el microscopio electr

Un nuevo método, desarrollado por el grupo de investigación Metalurgia e Ingeniería de los Materiales de la US, ha logrado aprovechar condiciones de microgravedad para conseguir cuerpos sólidos con una porosidad de hasta el 90%. Sus aplicaciones se dirigen a la industria aeroespacial que precisa de estos materiales metálicos ligeros en sus productos

El método consiste en introducir partículas del metal que se quiera utilizar (zinc, níquel, aluminio…) dentro de  un contenedor inerte que se deja caer desde una altura suficiente para conseguir condiciones de imponderabilidad (microgravedad).

Cuando se alcanzan estas condiciones y los polvos de metal se encuentran flotando dentro del recipiente, se produce una descarga eléctrica de alta intensidad y corta duración, proveniente de unos condensadores incorporados en el mismo contenedor. La descarga produce un calentamiento instantáneo suficiente como para que esas partículas que estaban flotando en contacto unas con otras se congelen formando una estructura muy porosa. El proceso podría usarse también para la fabricación de piezas ligeras en condiciones de ingravidez en el espacio.

“Gracias a este procedimiento hemos conseguido crear muestras de materiales metálicos con un 90% de porosidad mientras que en el resto de procedimientos la cantidad máxima de poros que pueden llegar a conseguirse es de un 60%”, explica Eva Mª Pérez, investigadora responsable de la patente.

Se trata de materiales como espumas de níquel, acero inoxidable o cobre que resultan útiles por ejemplo en la fabricación de filtros refrigerantes o de absorción de ruidos o energía. Crear estos materiales requiere un procedimiento complejo, sin embargo gracias a este nuevo método se consigue una mayor versatilidad en el tipo de metal a usar así como ampliar el rango de porosidades finales en el material resultante, reduciendo de forma importante el consumo de energía ya que no hay que alcanzar temperaturas de fusión y la consolidación de las partículas se produce de manera prácticamente instantánea.

Torre de caída libre

“La idea es aprovechar la distribución en la que se encuentran las partículas de polvo de metal cuando son sometidas a condiciones de imponderabilidad, es decir, de microgravedad”, añade la investigadora. “Al aplicar una corriente eléctrica, estas partículas que se encuentran flotando en el espacio con una repartición irregular, se congelan y se unen consiguiendo estructuras metálicas fuertes y resistentes a la vez que muy ligeras y porosas”.

Este mecanismo de aplicación de corriente eléctrica se conoce como sinterización y está perfectamente definido por la literatura científica. La novedad de este método radica en sumar el efecto de la microgravedad para logar incrementar la porosidad de los materiales resultantes. “Cuando comenzamos a trabajar intentando reducir la gravedad utilizamos la Torre del Desafío del parque temático Isla Mágica”, cuenta la experta. Actualmente, se está construyendo en la E.T.S. de Ingeniería de la US una torre de caída libre de 14 metros que reproducirá las condiciones de microgravedad necesarias para poder llevar a cabo estos experimentos.

El siguiente paso de esta investigación pasa por encontrar empresas interesadas en la explotación de esta técnica, lo que podría suponer ampliar el rango de aplicaciones de estas espumas metálicas al ser un método rápido y barato.

Más sobre este tema: